Um tITULADOR aUTOMÁTICO Em Fluxo-batelada-multicomutado QUE explora gradientes lineares de concentração
Everaldo P. Medeiros (PG)*, José Germano Véras Neto (PG)**, Sérgio R. B. dos Santos(PG)* Elaine C. L. do Nascimento(IC) e Mário César Ugulino de Araújo(PQ)*
*Depto de Química-CCEN-Universidade Federal da Paraíba-J. Pessoa-PB.
**Depto de Química Fundamental-Universidade Federal de Pernambuco-Recife-PE
palavras-chave: gradiente linear de concentração, titulador em fluxo-batelada-multicomutado, determinação fotométrica de ferro.
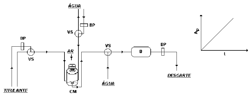
A utilização de técnicas que exploram gradientes de concentração em sistemas de análise em fluxo é uma importante estratégia para minimizar o trabalho e lentidão dos procedimentos titulométricos [1,2]. Neste trabalho, foi desenvolvido um titulador automático que explora gradientes lineares de concentração e que apresenta características comuns a sistemas em fluxo, em batelada e com multicomutação. Ele é composto por uma bomba peristáltica (BP), uma câmara de mistura (CM), válvulas solenóides (VS) e um detector espectrofotométrico (D). Neste titulador, água e titulante são bombeados (sistema em fluxo) para um recipiente em separado (sistema batch) onde é gerado um gradiente linear do titulante, que é aspirado para o detector de modo intercalado com a amostra em um processo multicomutado (sistema com multicomutação).
Na figura a seguir são apresentadas as três etapas necessárias para realizar a titulação. Na primeira etapa, preenche-se a cela de detecção com o titulante para determinar o sinal do patamar que é utilizado para calibrar o gradiente de concentração linear. Na segunda etapa, adiciona-se continuamente o titulante à câmara de mistura previamente preenchida com água e aspira-se a mistura em direção ao detector. Obtém-se assim um gradiente de concentração linear cujo sinal aumenta linearmente no tempo (reta inclinada). A última etapa é a titulação, que consiste em intercalar ao fluxo do gradiente do titulante proveniente da câmara de mistura, o fluxo de amostra. Como resultado, obtém-se uma nova reta inclinada, semelhante à do gradiente padrão, mas deslocada de sua posição inicial. A distância, no tempo, entre os sinais dos dois gradientes é proporcional à concentração da amostra.
Todo o sistema é controlado por um microcomputador que, além da limpeza dos recipientes e do controle das válvulas, é responsável pela aquisição e tratamento dos dados. Para isto foi utilizado uma interface "homemade" e um software desenvolvido em ambiente de programação visual LABVIEW 5.0. O sistema foi aplicado à titulação de amostras sintéticas de ferro na faixa de 4 - 12 ppm, utilizando KMnO4 como titulante e os resultados foram comparados com aqueles obtidos por procedimentos clássicos. Este titulador permite titular 40 amostra por hora e os resultados obtidos apresentam erro médio conjunto de 0,67% para as concentrações das amostras e um DPRconjunto abaixo de 5,00%.



Bibliografia
1. Araújo,
M.C.U; Santos, A.V.; Honorato, R.S.; Pasquini, C., J. of Autom.
Chem.,
        1997, 19, 157
2. Gaião,
E.N.; Honorato, R.S.; Santos, S.R.B.; Araújo, M.C.U., Analyst,
1999, 124,
        1727
[CNPq, CAPES]