DESENVOLVIMENTO DE SISTEMA CONTADOR DE TEMPO PARA O SINCRONISMO ENTRE A INJEÇÃO DA AMOSTRA E DETECÇÃO EM SISTEMAS FIA
Marta Cristina Batalha (PG); Carlos Roberto Bellato (PQ); Debora Astoni Moreira (IC); Efraim Lázaro Reis (PQ) e Cláudio Pereira Jordão (PQ)
Departamento de Química - Universidade Federal de Viçosa
CEP: 36571-000 Viçosa - MG
palavras-chave: controle de tempo, aquisição de intervalos de comprimento de onda, análise por injeção em fluxo (FIA)
As análises por espectrofotometria de absorção molecular que envolvem a aquisição de intervalos de comprimento de onda na região do UV-VIS, vêm sendo assunto de crescente interesse, principalmente com o emprego de sistemas de análise por injeção em fluxo [1].
Em sistemas de análise por injeção em fluxo para se realizar a aquisição de intervalos de comprimento de onda em função do tempo é necessário sincronizar o momento da injeção da amostra e a sua chegada ao detector, para se dar início a aquisição espectral. Este procedimento pode ser realizado se o espectrofotômetro estiver interfaceado a um microcomputador, que através de programas desenvolvido com esta finalidade e com o auxílio de sistemas de injeção eletrônicos, realiza a contagem de tempo necessária para acionar o instrumento e dar início a aquisição espectral no momento em que a amostra chega ao detector.
Os equipamentos espectrofotométricos modernos normalmente são interfaceados a microcomputadores, onde os programas de gerenciamento do instrumento são fornecidos pelos fabricantes na forma executável. Estes programas não permitem alterações em suas rotinas, impossibilitando o seu acoplamento a sistemas de análise por injeção em fluxo.
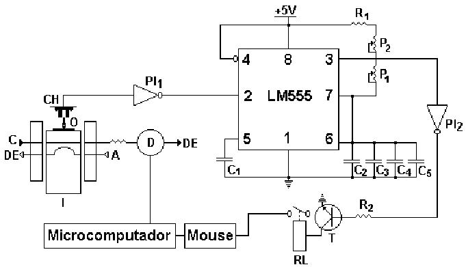
O objetivo deste trabalho foi o desenvolvimento de um sistema contador de tempo como mostrado na Figura 1. Este sistema emprega o temporizador LM555 (circuito integrado) [2], que através da comutação de um injetor tipo proporcional (I), possibilita realizar a contagem de tempo. O sistema foi acoplado ao espectrofotômetro Varian (D), modelo Cary 50, que apresenta-se interfaceado a um microcomputador. Antes de iniciar a injeção da amostra, executa-se o programa computacional que opera o instrumento, até o momento em que para a aquisição dos espectros seja necessário acionar o mouse. O sistema contador de tempo foi construído empregando-se uma chave óptica (CH), um temporizador (LM555) e um rele eletromagnético (RL). A chave óptica encontra-se adaptada a um injetor tipo proporcional. No momento em que o injetor é comutado para a posição de injeção da amostra, a chave óptica gera um sinal de nível lógico que apresentado ao temporizador, inicia a contagem de tempo necessário para que a amostra chegue no detector. O obstrutor (O) da chave óptica foi confeccionado na forma de uma dobradiça, sendo que após a injeção da amostra o operador deve desobstruir a

Figura 1: Sistema contador de tempo. I é o injetor tipo proporcional; CH é a chave óptica; O é o obstrutor da chave óptica; D é o espectrofotómetro; C é a linha do carregador; A é a linha da amostra; DE é o descarte; PI1 e PI2 são portas inversoras (CI 4069); C1 é um capacitor de 0,01 mF; C2, C3, C4 e C5 são capacitores de 2,2 mF; P1 e P2 são potenciometros de 4,7 MW; R1 e R2 são resistências de 3,3 MW e 10 KW, respectivamente; T é o transistor (CI TIP122) e RL é o rele eletromagnético.
chave para proporcionar a lógica necessária para o funcionamento do sistema. Após ter decorrido o tempo, o temporizador aciona o rele eletromagnético, que apresenta-se ligado a saída de comunicação serial do mouse, iniciando a aquisição dos espectros. O circuito que compõe o sistema contador de tempo dispõe de potenciometros (P1, P2), pelos quais o operador pode ajustar o tempo entre 15 a 90 segundos. Este intervalo de tempo pode ser alterado, trocando-se os capacitores (C2, C3, C4 e C5) que compõe o circuito.
O sistema proposto foi avaliado através da injeção em fluxo de mistura de indicadores ácido-base e obtenção de superfícies de resposta (Absorbância / Comprimento de Onda / Tempo). O desvio padrão relativo entre sucessivas determinações foi menor que 1% (n = 5). Este sistema pode ser utilizado para adaptação da técnica de análise por injeção em fluxo a equipamentos espectrofotométricos, visando o controle de tempo entre a injeção da amostra e o início da aquisição de intervalos espectrais.
FAPEMIG, CNPq
1. Saldanha, T.C.B.; Araújo, M.C.U; Barros Neto, B. Química Nova, 22 847 (1999)
2. Malvino, A.P. Eletrônica digital: princípios e aplicações. São Paulo: McGraw-Hill, v.2, 1987. 684 p.